Product
EFR 012 Electronic Hygrostat
Quantity:

> Adjustable and pre-set relative humidity

> Status indicator (LED)

> High switching capacity

> Clip fixing

> Temperature-compensated

Product description

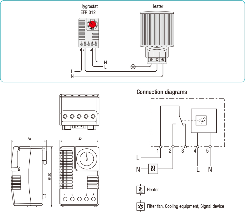
The electronic hygrostat senses the relative humidity in an enclosure with electric/electronic components and turns on a heater at the set point, helping prevent the formation of condensation in the enclosure. The LED integrated in the adjustment knob is lit when the connected heater is in operation.


Technical Data

EFR 012

Switch difference

5% RH (±3% RH tolerance) at +25°C (+77°F), 50% RH

Reaction time

5 sec.

Contact type

change-over contact (relay)

Service life

> 50,000 cycles

Max. switching capacity (relay output)

240VAC / 120VAC 8 (1.6) A

Max. inrush current

AC 16A for 10 sec.

Optical indicator

LED

Connection

5-pole terminal, clamping torque 0.5Nm max.:

rigid/stranded¹ wire 2.5mm² (AWG 14)

Mounting

clip for 35mm DIN rail, EN 60715

Casing

plastic according to UL94 V-0, light grey

Dimensions

64.5 x 42 x 38mm

Weight

approx. 70g

Fitting position

vertical

Operating/Storage temperature

0 to +60°C (+32 to +140°F) / -20 to +70°C (-4 to +158°F)

Operating/Storage humidity

max. 90% RH (non-condensing)

Protection type

IP20

¹ When connecting with stranded wires, wire end ferrules must be used.


Examples of connection

0.jpg

Art. No.

Setting Range

Operating Voltage

01245.0-00

40 to 90% RH

230VAC, 50/60Hz

01245.9-00

40 to 90% RH

120VAC, 50/60Hz


0
Inquiry Basket (0)
Clear
Inquiry