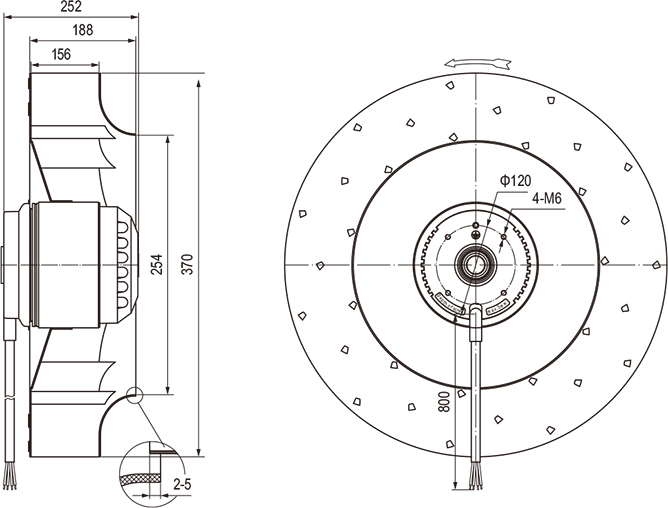
General Specification
Wind wheel material Galvanized sheet
Insulation Class: F
Fan rotation: CCW (viewed from the outlet wire end)
Operation Temperature: -30°C~+60°C
Motor Protection type: IP44
Operation mode: S1
Bearings: Maintenance-free ball bearings
Ambient Temperature: -30~60°C

Specific Parameters
Art. No. | Voltage (V) | Freq. (Hz) | Current (A) | Power (W) | Speed (RPM) | Air Flow | Pressure (Pa) | Noise (dBA) | |
M3/hr | CFM | ||||||||
NA400-1 | 230VAC | 50 | 1.7 | 360 | 1400 | 4400 | 2666 | 400 | 65 |
NA400-2 | 380VAC | 50 | 0.8 | 350 | 1400 | 4400 | 2666 | 400 | 65 |
